Karar - Konferans ve Temel Ofis Görevleri İçin Optimize Edilmiştir
Qualcomm Snapdragon'un size uygun olup olmadığı ihtiyaçlarınıza bağlıdır. EliteBook 6 G1q 14, Co-Pilot+, 5G WAN ve HP Go bağlantısı, yapay zeka ile geliştirilmiş web kamerası özellikleri ve ARM yerel uygulamaları çalıştırırken fiyatına göre mükemmel CPU performansı için optimize edilmiştir. Ancak daha özel veya GPU ağırlıklı uygulamalar için uyumluluk garanti edilmez ve emülasyon yoluyla performans beklenenden daha yavaş olabilir.
CPU'yu çevreleyen donanım, özellikle temel model bir EliteBook için mükemmeldir. Özellikle pil ömrü ve fan gürültüsü, Intel veya AMD'nin çoğu çözümünden sırasıyla daha uzun ve daha sessizdir. Sure View olan veya olmayan konfigürasyonlar arasında veya 1920 x 1200 yerine 2560 x 1600 seçilmesi durumunda önemli farklılıklar olduğundan ekran seçeneklerinizi dikkatlice seçmenizi öneririz.
Artılar
Eksiler
Fiyat ve Bulunabilirlik
Amazon, bu incelemede yapılandırılan HP EliteBook 6 G1q 14'ü şu anda 1345 USD'ye gönderiyor. Alternatif olarak, kullanıcılar özelleştirebilir ve doğrudan HP'den 1161 $ 'dan başlayan fiyatlarla satın alabilirler.
EliteBook 6 serisi, işletmeler ve ofisler için bütçe aralığı olmak üzere doğrudan eski EliteBook 600 serisinin yerini alıyor. Seri, sırasıyla G1i, G1a ve G1q olarak adlandırılan Intel, AMD ve Qualcomm varyantlarında mevcuttur.
EliteBook 6 G1q 14 test ünitemiz, Snapdragon X Plus X1P-42-100 CPU, 1200p IPS ekran ve 32 GB lehimli RAM ile yaklaşık 1345 USD karşılığında orta Qualcomm yapılandırmasıdır. Diğer SKU'lar, 1600p'ye kadar ek ekran çözünürlüklerinin yanı sıra daha yavaş Snapdragon X X1-26-100 veya daha hızlı Snapdragon X Elite X1E-78-100 ile birlikte geliyor.
EliteBook 6'nın rakipleri arasında aşağıdaki gibi diğer iş amaçlı alt dizüstü bilgisayarlar bulunmaktadır Lenovo ThinkPad E14 Gen 7, Dell Pro 14 Plus veya Asus ExpertBook B5.
Daha fazla HP incelemesi:
Teknik Özellikler
Top 10
» Top 10 Multimedia Notebook listesi
» Top 10 oyun notebooku
» Top 10 bütçeye uygun Ofis/İş Notebook Listesi
» Top 10 Premium Ofis/İş notebookları
» Top 10 Çalışma istasyonu laptopları
» Top 10 Subnotebook listesi
» Top 10 Ultrabooklar
» En iyi 10 dönüştürülebilir modeli
» Seçimi en iyi 10 tablet
» Notebookcheck Top 10 Windows Tabletleri
» Top 10 Subnotebook listesi
» NotebookCheck tarafından incelenen en iyi Notebook ekranları
» Notebookcheck'in 500 Euro altındaki en iyi 10 Notebook listesi
» NotebookCheck tarafından seçilen 300 Euro altındaki en iyi 10 Notebook
» Notebookcheck'in 500 Euro altındaki en iyi 10 Notebook listesi
» Notebookcheck'in Top 10 akıllı telefon listesi
» Notebookcheck'in Top 10 hafif oyun notebookları
Dava
EliteBook 6 esasen ailedeki en ucuz modellerden biri olmasına rağmen kasa tasarımı ve kalitesi güçlü kalmaya devam ediyor. Klavye tablası, alt kapak ve dış kapak plastik yerine alüminyumdan oluşuyor ve bu nedenle sistem hala daha ucuz bir Pavilion değil, uygun bir EliteBook gibi hissediyor. Menteşeler de tam 180 dereceye kadar oldukça gergin.
Bağlanabilirlik
Bu giriş seviyesi EliteBook modeli için etkileyici sayıda entegre bağlantı noktası var. HDMI, RJ-45 ve çoklu USB-A bağlantı noktalarının tümü mevcutken, çok daha pahalı olan EliteBook Ultra G1q bu zımbaların çoğundan yoksundur.
EliteBook 6'nın Qualcomm modelinin herhangi bir Akıllı Kart seçeneğine sahip olmadığını unutmayın.
İletişim
| Networking | |
| iperf3 transmit AXE11000 | |
| Asus ExpertBook B5 B5404CMA | |
| HP ProBook 445 G10 | |
| Dell Pro 14 Plus PB14255 GH77W | |
| HP EliteBook 8 G1a 14 AD3E9ET | |
| HP EliteBook 6 G1q 14 | |
| iperf3 receive AXE11000 | |
| HP ProBook 445 G10 | |
| Asus ExpertBook B5 B5404CMA | |
| HP EliteBook 8 G1a 14 AD3E9ET | |
| Dell Pro 14 Plus PB14255 GH77W | |
| HP EliteBook 6 G1q 14 | |
| iperf3 transmit AXE11000 6GHz | |
| Dell Pro 14 Plus PB14255 GH77W | |
| Asus ExpertBook B5 B5404CMA | |
| HP EliteBook 6 G1q 14 | |
| HP EliteBook 8 G1a 14 AD3E9ET | |
| iperf3 receive AXE11000 6GHz | |
| Dell Pro 14 Plus PB14255 GH77W | |
| HP EliteBook 8 G1a 14 AD3E9ET | |
| Asus ExpertBook B5 B5404CMA | |
| HP EliteBook 6 G1q 14 | |
Web kamerası
Test ünitemiz 2 MP web kamerası ve fiziksel deklanşör ile donatılmıştır, ancak daha üst düzey yapılandırmalar hem IR hem de daha yüksek çözünürlüklü 5 MP web kamerası ile mevcuttur.

Sürdürülebilirlik
Şasi yüzde 50 geri dönüştürülmüş metal ve yüzde 20 ila 50 geri dönüştürülmüş veya okyanusa bağlı plastikten oluşmaktadır. Ambalaj çoğunlukla kağıt ve kartondan oluşuyor ve AC adaptörü için biraz plastik ambalaj kullanılmış.
Aksesuarlar ve Garanti
Kutuda herhangi bir ekstra yoktur. ABD'de satın alındıysa normal bir yıllık sınırlı üretici garantisi geçerlidir.
Giriş Aygıtları
Daha ucuz EliteBook modellerinden biri olmasına rağmen, sistem her tuş için tatmin edici geri bildirim ve hareket ile yazmak için hala harika bir his veriyor. EliteBook Ultra G1q gibi daha pahalı modellerdeki klavyeler, ok tuşları için biraz farklı bir düzene sahip daha yüksek kaliteli tuş başlıklarına sahiptir.
Ekran
Aşağıdaki gibi beş ekran seçeneği mevcuttur. Özel test ünitemiz kalın harflerle yazılmış seçenekle yapılandırılmış olarak gelir.
- 1920 x 1200, IPS, 300 nit, 60 Hz, dokunmatik olmayan
- 1920 x 1200, IPS, 300 nit, 60 Hz, dokunmatik
- 1920 x 1200, IPS, 400 nit, 60 Hz, dokunmatik olmayan
- 1920 x 1200, IPS, 800 nit, 60 Hz, Sure View, dokunmatik olmayan
- 2560 x 1600, IPS, 400 nit, 120 Hz, %100 DCI-P3, dokunmatik olmayan
Bu seçenek, nispeten yavaş siyah-beyaz tepki sürelerine, fabrika renk kalibrasyonuna ve yalnızca 60 Hz yenileme hızına sahip olmasına rağmen tam sRGB renkleri sunar. Dokunmatik ekran seçenekleri yalnızca alt uç 300-nit panel ile sınırlıyken, süper parlak panel yalnızca Sure View'a bağlıdır. Bununla birlikte, temel tarama, akış ve amatör görüntü düzenleme için sRGB renklere sahip 400 nit panelimiz yeterlidir.
| |||||||||||||||||||||||||
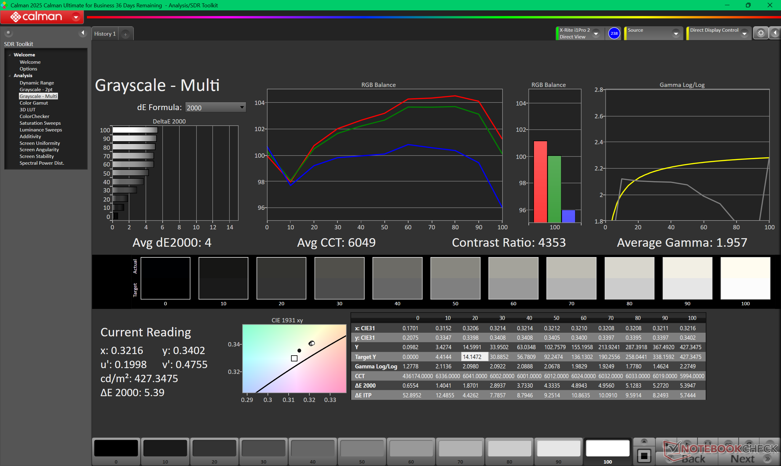
Aydınlatma: 94 %
Batarya modunda parlaklık: 434.4 cd/m²
Kontrast: 3342:1 (Siyah: 0.13 cd/m²)
ΔE ColorChecker Calman: 3.31 | ∀{0.5-29.43 Ø4.73}
ΔE Greyscale Calman: 4 | ∀{0.09-98 Ø4.98}
Gamma: 1.96
CCT: 6049 K
| HP EliteBook 6 G1q 14 LG Philips LGD079D, IPS, 1920x1200, 14", 90 Hz | HP EliteBook 8 G1a 14 AD3E9ET LGD079D, IPS LED, 1920x1200, 14", 60 Hz | HP ProBook 445 G10 AUO2FA6, IPS, 1920x1080, 14", 60 Hz | Lenovo ThinkPad E14 G7-21SYS00H00 TL140ADXP22, IPS, 2880x1800, 14", 120 Hz | Dell Pro 14 Plus PB14255 GH77W LP140WU4, IPS LED, 1920x1200, 14", 60 Hz | Asus ExpertBook B5 B5404CMA BOE NV140WUM-N43, IPS, 1920x1200, 14", 60 Hz | |
|---|---|---|---|---|---|---|
| Display | ||||||
| Display P3 Coverage (%) | 67.1 | 68.4 | 72.2 | 37.5 | 39.7 | |
| sRGB Coverage (%) | 96 | 95.2 | 100 | 56.3 | 59.1 | |
| AdobeRGB 1998 Coverage (%) | 69.2 | 70.6 | 73.7 | 38.8 | 41.1 | |
| Response Times | 31% | 14% | 44% | 41% | 54% | |
| Response Time Grey 50% / Grey 80% * (ms) | 50.2 ? | 31.4 ? 37% | 53.4 ? -6% | 32.7 ? 35% | 27.1 ? 46% | 23.65 ? 53% |
| Response Time Black / White * (ms) | 32.6 ? | 24.5 ? 25% | 21.8 ? 33% | 15.7 ? 52% | 21.1 ? 35% | 14.83 ? 55% |
| PWM Frequency (Hz) | ||||||
| Screen | -17% | -12% | -6% | -58% | -74% | |
| Brightness middle (cd/m²) | 434.4 | 444 2% | 501 15% | 389 -10% | 315 -27% | 290 -33% |
| Brightness (cd/m²) | 423 | 434 3% | 464 10% | 363 -14% | 295 -30% | 281 -34% |
| Brightness Distribution (%) | 94 | 94 0% | 87 -7% | 89 -5% | 87 -7% | 79 -16% |
| Black Level * (cd/m²) | 0.13 | 0.19 -46% | 0.26 -100% | 0.24 -85% | 0.25 -92% | 0.22 -69% |
| Contrast (:1) | 3342 | 2337 -30% | 1927 -42% | 1621 -51% | 1260 -62% | 1318 -61% |
| Colorchecker dE 2000 * | 3.31 | 3.4 -3% | 2.64 20% | 1.7 49% | 6 -81% | 6.61 -100% |
| Colorchecker dE 2000 max. * | 5.44 | 7 -29% | 5.06 7% | 3.5 36% | 15.2 -179% | 20.32 -274% |
| Greyscale dE 2000 * | 4 | 5.2 -30% | 3.8 5% | 2.8 30% | 3.3 17% | 4.1 -2% |
| Gamma | 1.96 112% | 2.04 108% | 2.103 105% | 2.17 101% | 2.02 109% | 1.81 122% |
| CCT | 6049 107% | 6295 103% | 6562 99% | 6572 99% | 6140 106% | 7048 92% |
| Colorchecker dE 2000 calibrated * | 1.7 | 1.57 | 1.2 | 5.1 | 4.25 | |
| Toplam Ortalama (Program / Ayarlar) | 7% /
-7% | 1% /
-7% | 19% /
4% | -9% /
-38% | -10% /
-48% |
* ... daha küçük daha iyidir
Panel, aşırı sıcak renk sıcaklığı ve sırasıyla 4.0 ve 3.31'lik nispeten düşük ortalama deltaE gri tonlama ve renk değerleriyle kutudan çıktığında sadece makul bir şekilde kalibre edilmiştir. Ekonomik bir iş dizüstü bilgisayarı için fena olmasa da, X-Rite yazılımı şu anda ARM makinelerle uyumlu olmadığından son kullanıcı kalibrasyonu daha zor olabilir.
Yanıt Sürelerini Görüntüle
| ↔ Tepki Süresi Siyahtan Beyaza | ||
|---|---|---|
| 32.6 ms ... yükseliş ↗ ve sonbahar↘ birleşimi | ↗ 14.9 ms yükseliş | |
| ↘ 17.7 ms sonbahar | ||
| Ekran, testlerimizde yavaş yanıt oranları gösteriyor ve oyuncular için yetersiz olacaktır. Karşılaştırıldığında, test edilen tüm cihazlar 0.1 (minimum) ile 240 (maksimum) ms arasında değişir. » Tüm cihazların 88 %'si daha iyi. Bu, ölçülen yanıt süresinin test edilen tüm cihazların ortalamasından (19.9 ms) daha kötü olduğu anlamına gelir. | ||
| ↔ Tepki Süresi %50 Griden %80 Griye | ||
| 50.2 ms ... yükseliş ↗ ve sonbahar↘ birleşimi | ↗ 22.2 ms yükseliş | |
| ↘ 28 ms sonbahar | ||
| Ekran, testlerimizde yavaş yanıt oranları gösteriyor ve oyuncular için yetersiz olacaktır. Karşılaştırıldığında, test edilen tüm cihazlar 0.165 (minimum) ile 636 (maksimum) ms arasında değişir. » Tüm cihazların 87 %'si daha iyi. Bu, ölçülen yanıt süresinin test edilen tüm cihazların ortalamasından (31.2 ms) daha kötü olduğu anlamına gelir. | ||
Ekran Titremesi / PWM (Darbe Genişliği Modülasyonu)
| Ekran titriyor / PWM algılanmadı | |||
Karşılaştırıldığında: Test edilen tüm cihazların %52 %'si ekranı karartmak için PWM kullanmıyor. PWM tespit edilirse, ortalama 7857 (minimum: 5 - maksimum: 343500) Hz ölçüldü. | |||
Performans
Test Koşulları
Aşağıdaki kıyaslamaları çalıştırmadan önce Windows'u Performans moduna ayarladık.
İşlemci
Tipik x86 dizüstü bilgisayarlarla doğrudan CPU performans karşılaştırmaları yapmak zor olabilir. Eğer uygulama Windows ARM üzerinde yerel olarak çalışıyorsa, o zaman Snapdragon X Plus X1P-42-100 lunar Lake'i bile geride bırakabilir Core Ultra 7 258V ham çok iş parçacıklı iş yüklerinde yüzde 30'un üzerinde. Ancak uygulamanın taklit edilmesi gerekiyorsa, Snapdragon CPU'muz yüzde 25'e kadar daha yavaş performans göstererek U serisi eski bir CPU ile aynı seviyeye gelebilir Ryzen 5 7530U.
Yükseltme Snapdragon X Elite X1E-78-100 snapdragon X Plus X1P-42-100'ün performansını yüzde 10 ila 15 oranında artırması beklenirken Snapdragon X X1-26-100 yüzde 15'lik bir performans düşüşüne yol açması bekleniyor.
Cinebench R15 Çoklu Döngü
Cinebench R23: Multi Core | Single Core
Cinebench R20: CPU (Multi Core) | CPU (Single Core)
Cinebench R15: CPU Multi 64Bit | CPU Single 64Bit
Blender: v2.79 BMW27 CPU
7-Zip 18.03: 7z b 4 | 7z b 4 -mmt1
Geekbench 6.6: Multi-Core | Single-Core
Geekbench 5.5: Multi-Core | Single-Core
HWBOT x265 Benchmark v2.2: 4k Preset
LibreOffice : 20 Documents To PDF
R Benchmark 2.5: Overall mean
Cinebench 2024: CPU Multi Core | CPU Single Core
| CPU Performance rating | |
| HP EliteBook 8 G1a 14 AD3E9ET -2! | |
| Dell Pro 14 Plus PB14255 GH77W -2! | |
| Lenovo ThinkPad T14 Gen 6 21QG001VGE -2! | |
| HP OmniBook X Flip 16 | |
| Honor MagicBook Art 14 Snapdragon -2! | |
| Asus ExpertBook B5 B5404CMA -2! | |
| Lenovo ThinkPad E14 Gen 7 21U2002QGE | |
| HP OmniBook X 14 -3! | |
| HP Omnibook 5 14 | |
| Samsung Galaxy Book4 Edge 14 -2! | |
| HP ProBook 445 G10 -2! | |
| HP EliteBook 6 G1q 14 -2! | |
| Ortalama Qualcomm Snapdragon X Plus X1P-42-100 | |
| Asus ZenBook A14 UX3407QA -2! | |
| Geekbench 5.5 / Multi-Core | |
| Dell Pro 14 Plus PB14255 GH77W | |
| HP EliteBook 8 G1a 14 AD3E9ET | |
| Lenovo ThinkPad T14 Gen 6 21QG001VGE | |
| HP OmniBook X Flip 16 | |
| Lenovo ThinkPad E14 Gen 7 21U2002QGE | |
| Asus ExpertBook B5 B5404CMA | |
| HP Omnibook 5 14 | |
| Ortalama Qualcomm Snapdragon X Plus X1P-42-100 (4457 - 8618, n=3) | |
| HP ProBook 445 G10 | |
| Geekbench 5.5 / Single-Core | |
| Dell Pro 14 Plus PB14255 GH77W | |
| Lenovo ThinkPad T14 Gen 6 21QG001VGE | |
| HP OmniBook X Flip 16 | |
| HP EliteBook 8 G1a 14 AD3E9ET | |
| Lenovo ThinkPad E14 Gen 7 21U2002QGE | |
| Asus ExpertBook B5 B5404CMA | |
| HP Omnibook 5 14 | |
| Ortalama Qualcomm Snapdragon X Plus X1P-42-100 (1486 - 1669, n=3) | |
| HP ProBook 445 G10 | |
| Cinebench 2024 / CPU Multi Core | |
| Honor MagicBook Art 14 Snapdragon | |
| HP OmniBook X 14 | |
| HP EliteBook 6 G1q 14 | |
| HP Omnibook 5 14 | |
| Ortalama Qualcomm Snapdragon X Plus X1P-42-100 (554 - 763, n=11) | |
| Asus ZenBook A14 UX3407QA | |
| Samsung Galaxy Book4 Edge 14 | |
| HP OmniBook X Flip 16 | |
| Lenovo ThinkPad E14 Gen 7 21U2002QGE | |
| Cinebench 2024 / CPU Single Core | |
| Honor MagicBook Art 14 Snapdragon | |
| Samsung Galaxy Book4 Edge 14 | |
| HP OmniBook X Flip 16 | |
| Ortalama Qualcomm Snapdragon X Plus X1P-42-100 (107 - 109, n=10) | |
| HP OmniBook X 14 | |
| HP Omnibook 5 14 | |
| HP EliteBook 6 G1q 14 | |
| Lenovo ThinkPad E14 Gen 7 21U2002QGE | |
| Asus ZenBook A14 UX3407QA | |
Cinebench R23: Multi Core | Single Core
Cinebench R20: CPU (Multi Core) | CPU (Single Core)
Cinebench R15: CPU Multi 64Bit | CPU Single 64Bit
Blender: v2.79 BMW27 CPU
7-Zip 18.03: 7z b 4 | 7z b 4 -mmt1
Geekbench 6.6: Multi-Core | Single-Core
Geekbench 5.5: Multi-Core | Single-Core
HWBOT x265 Benchmark v2.2: 4k Preset
LibreOffice : 20 Documents To PDF
R Benchmark 2.5: Overall mean
Cinebench 2024: CPU Multi Core | CPU Single Core
* ... daha küçük daha iyidir
AIDA64: FP32 Ray-Trace | FPU Julia | CPU SHA3 | CPU Queen | FPU SinJulia | FPU Mandel | CPU AES | CPU ZLib | FP64 Ray-Trace | CPU PhotoWorxx
| Performance rating | |
| HP EliteBook 8 G1a 14 AD3E9ET | |
| Dell Pro 14 Plus PB14255 GH77W | |
| Lenovo ThinkPad E14 Gen 7 21U2002QGE | |
| Asus ExpertBook B5 B5404CMA | |
| HP ProBook 445 G10 | |
| HP EliteBook 6 G1q 14 | |
| Ortalama Qualcomm Snapdragon X Plus X1P-42-100 | |
| AIDA64 / FP32 Ray-Trace | |
| Dell Pro 14 Plus PB14255 GH77W | |
| HP EliteBook 8 G1a 14 AD3E9ET | |
| Lenovo ThinkPad E14 Gen 7 21U2002QGE | |
| HP ProBook 445 G10 | |
| Asus ExpertBook B5 B5404CMA | |
| HP EliteBook 6 G1q 14 | |
| Ortalama Qualcomm Snapdragon X Plus X1P-42-100 (1480 - 6208, n=9) | |
| AIDA64 / FPU Julia | |
| HP EliteBook 8 G1a 14 AD3E9ET | |
| Dell Pro 14 Plus PB14255 GH77W | |
| Lenovo ThinkPad E14 Gen 7 21U2002QGE | |
| HP ProBook 445 G10 | |
| Asus ExpertBook B5 B5404CMA | |
| HP EliteBook 6 G1q 14 | |
| Ortalama Qualcomm Snapdragon X Plus X1P-42-100 (14234 - 17629, n=9) | |
| AIDA64 / CPU SHA3 | |
| HP EliteBook 8 G1a 14 AD3E9ET | |
| Dell Pro 14 Plus PB14255 GH77W | |
| HP EliteBook 6 G1q 14 | |
| Lenovo ThinkPad E14 Gen 7 21U2002QGE | |
| Asus ExpertBook B5 B5404CMA | |
| Ortalama Qualcomm Snapdragon X Plus X1P-42-100 (2036 - 2642, n=9) | |
| HP ProBook 445 G10 | |
| AIDA64 / CPU Queen | |
| HP EliteBook 8 G1a 14 AD3E9ET | |
| Dell Pro 14 Plus PB14255 GH77W | |
| HP ProBook 445 G10 | |
| HP EliteBook 6 G1q 14 | |
| Ortalama Qualcomm Snapdragon X Plus X1P-42-100 (44346 - 48641, n=9) | |
| Lenovo ThinkPad E14 Gen 7 21U2002QGE | |
| Asus ExpertBook B5 B5404CMA | |
| AIDA64 / FPU SinJulia | |
| HP EliteBook 8 G1a 14 AD3E9ET | |
| Dell Pro 14 Plus PB14255 GH77W | |
| HP ProBook 445 G10 | |
| Asus ExpertBook B5 B5404CMA | |
| Lenovo ThinkPad E14 Gen 7 21U2002QGE | |
| HP EliteBook 6 G1q 14 | |
| Ortalama Qualcomm Snapdragon X Plus X1P-42-100 (1240 - 1502, n=9) | |
| AIDA64 / FPU Mandel | |
| HP EliteBook 8 G1a 14 AD3E9ET | |
| Dell Pro 14 Plus PB14255 GH77W | |
| HP ProBook 445 G10 | |
| Lenovo ThinkPad E14 Gen 7 21U2002QGE | |
| Asus ExpertBook B5 B5404CMA | |
| HP EliteBook 6 G1q 14 | |
| Ortalama Qualcomm Snapdragon X Plus X1P-42-100 (4929 - 9953, n=9) | |
| AIDA64 / CPU AES | |
| HP EliteBook 8 G1a 14 AD3E9ET | |
| Dell Pro 14 Plus PB14255 GH77W | |
| Asus ExpertBook B5 B5404CMA | |
| HP EliteBook 6 G1q 14 | |
| Ortalama Qualcomm Snapdragon X Plus X1P-42-100 (37646 - 45232, n=9) | |
| Lenovo ThinkPad E14 Gen 7 21U2002QGE | |
| HP ProBook 445 G10 | |
| AIDA64 / CPU ZLib | |
| HP EliteBook 8 G1a 14 AD3E9ET | |
| Dell Pro 14 Plus PB14255 GH77W | |
| Asus ExpertBook B5 B5404CMA | |
| Lenovo ThinkPad E14 Gen 7 21U2002QGE | |
| HP EliteBook 6 G1q 14 | |
| HP ProBook 445 G10 | |
| Ortalama Qualcomm Snapdragon X Plus X1P-42-100 (473 - 524, n=9) | |
| AIDA64 / FP64 Ray-Trace | |
| Dell Pro 14 Plus PB14255 GH77W | |
| HP EliteBook 8 G1a 14 AD3E9ET | |
| Lenovo ThinkPad E14 Gen 7 21U2002QGE | |
| HP ProBook 445 G10 | |
| Asus ExpertBook B5 B5404CMA | |
| HP EliteBook 6 G1q 14 | |
| Ortalama Qualcomm Snapdragon X Plus X1P-42-100 (2262 - 3430, n=9) | |
| AIDA64 / CPU PhotoWorxx | |
| Lenovo ThinkPad E14 Gen 7 21U2002QGE | |
| HP EliteBook 8 G1a 14 AD3E9ET | |
| Dell Pro 14 Plus PB14255 GH77W | |
| Asus ExpertBook B5 B5404CMA | |
| HP EliteBook 6 G1q 14 | |
| Ortalama Qualcomm Snapdragon X Plus X1P-42-100 (31088 - 32478, n=9) | |
| HP ProBook 445 G10 | |
CrossMark: Overall | Productivity | Creativity | Responsiveness
WebXPRT 3: Overall
WebXPRT 4: Overall
Mozilla Kraken 1.1: Total
Geekbench AI: Quantized GPU 1.7 | Half Precision GPU 1.7 | Single Precision GPU 1.7
| Performance rating | |
| Dell Pro 14 Plus PB14255 GH77W -3! | |
| HP EliteBook 6 G1q 14 | |
| Ortalama Qualcomm Snapdragon X Plus X1P-42-100, Qualcomm SD X Adreno X1-45 1.7 TFLOPS | |
| HP EliteBook 8 G1a 14 AD3E9ET -3! | |
| Lenovo ThinkPad E14 Gen 7 21U2002QGE -3! | |
| Asus ExpertBook B5 B5404CMA -3! | |
| CrossMark / Overall | |
| Dell Pro 14 Plus PB14255 GH77W | |
| HP EliteBook 8 G1a 14 AD3E9ET | |
| Lenovo ThinkPad E14 Gen 7 21U2002QGE | |
| Asus ExpertBook B5 B5404CMA | |
| Ortalama Qualcomm Snapdragon X Plus X1P-42-100, Qualcomm SD X Adreno X1-45 1.7 TFLOPS (1061 - 1463, n=10) | |
| HP EliteBook 6 G1q 14 | |
| CrossMark / Productivity | |
| Dell Pro 14 Plus PB14255 GH77W | |
| HP EliteBook 8 G1a 14 AD3E9ET | |
| Asus ExpertBook B5 B5404CMA | |
| Lenovo ThinkPad E14 Gen 7 21U2002QGE | |
| Ortalama Qualcomm Snapdragon X Plus X1P-42-100, Qualcomm SD X Adreno X1-45 1.7 TFLOPS (1059 - 1284, n=10) | |
| HP EliteBook 6 G1q 14 | |
| CrossMark / Creativity | |
| Dell Pro 14 Plus PB14255 GH77W | |
| HP EliteBook 8 G1a 14 AD3E9ET | |
| Lenovo ThinkPad E14 Gen 7 21U2002QGE | |
| Asus ExpertBook B5 B5404CMA | |
| Ortalama Qualcomm Snapdragon X Plus X1P-42-100, Qualcomm SD X Adreno X1-45 1.7 TFLOPS (1070 - 1660, n=10) | |
| HP EliteBook 6 G1q 14 | |
| CrossMark / Responsiveness | |
| Dell Pro 14 Plus PB14255 GH77W | |
| Asus ExpertBook B5 B5404CMA | |
| HP EliteBook 8 G1a 14 AD3E9ET | |
| Lenovo ThinkPad E14 Gen 7 21U2002QGE | |
| Ortalama Qualcomm Snapdragon X Plus X1P-42-100, Qualcomm SD X Adreno X1-45 1.7 TFLOPS (989 - 1563, n=10) | |
| HP EliteBook 6 G1q 14 | |
| WebXPRT 3 / Overall | |
| HP EliteBook 6 G1q 14 | |
| Ortalama Qualcomm Snapdragon X Plus X1P-42-100, Qualcomm SD X Adreno X1-45 1.7 TFLOPS (129.9 - 426, n=10) | |
| Dell Pro 14 Plus PB14255 GH77W | |
| HP EliteBook 8 G1a 14 AD3E9ET | |
| Lenovo ThinkPad E14 Gen 7 21U2002QGE | |
| Asus ExpertBook B5 B5404CMA | |
| WebXPRT 4 / Overall | |
| HP EliteBook 6 G1q 14 | |
| Ortalama Qualcomm Snapdragon X Plus X1P-42-100, Qualcomm SD X Adreno X1-45 1.7 TFLOPS (130.3 - 289, n=10) | |
| Lenovo ThinkPad E14 Gen 7 21U2002QGE | |
| Asus ExpertBook B5 B5404CMA | |
| HP EliteBook 8 G1a 14 AD3E9ET | |
| Dell Pro 14 Plus PB14255 GH77W | |
| Mozilla Kraken 1.1 / Total | |
| Ortalama Qualcomm Snapdragon X Plus X1P-42-100, Qualcomm SD X Adreno X1-45 1.7 TFLOPS (396 - 1145, n=10) | |
| HP EliteBook 8 G1a 14 AD3E9ET | |
| Lenovo ThinkPad E14 Gen 7 21U2002QGE | |
| Asus ExpertBook B5 B5404CMA | |
| Dell Pro 14 Plus PB14255 GH77W | |
| HP EliteBook 6 G1q 14 | |
| Geekbench AI / Quantized GPU 1.7 | |
| Ortalama Qualcomm Snapdragon X Plus X1P-42-100, Qualcomm SD X Adreno X1-45 1.7 TFLOPS (40257 - 40994, n=3) | |
| HP EliteBook 6 G1q 14 | |
| Geekbench AI / Half Precision GPU 1.7 | |
| Ortalama Qualcomm Snapdragon X Plus X1P-42-100, Qualcomm SD X Adreno X1-45 1.7 TFLOPS (16463 - 16672, n=3) | |
| HP EliteBook 6 G1q 14 | |
| Geekbench AI / Single Precision GPU 1.7 | |
| HP EliteBook 6 G1q 14 | |
| Ortalama Qualcomm Snapdragon X Plus X1P-42-100, Qualcomm SD X Adreno X1-45 1.7 TFLOPS (1539 - 1707, n=3) | |
* ... daha küçük daha iyidir
| AIDA64 / Memory Copy | |
| Lenovo ThinkPad E14 Gen 7 21U2002QGE | |
| Dell Pro 14 Plus PB14255 GH77W | |
| HP EliteBook 8 G1a 14 AD3E9ET | |
| HP EliteBook 6 G1q 14 | |
| Ortalama Qualcomm Snapdragon X Plus X1P-42-100 (61258 - 63933, n=9) | |
| Asus ExpertBook B5 B5404CMA | |
| HP ProBook 445 G10 | |
| AIDA64 / Memory Read | |
| Ortalama Qualcomm Snapdragon X Plus X1P-42-100 (112408 - 128030, n=9) | |
| HP EliteBook 6 G1q 14 | |
| Lenovo ThinkPad E14 Gen 7 21U2002QGE | |
| Dell Pro 14 Plus PB14255 GH77W | |
| HP EliteBook 8 G1a 14 AD3E9ET | |
| Asus ExpertBook B5 B5404CMA | |
| HP ProBook 445 G10 | |
| AIDA64 / Memory Write | |
| Lenovo ThinkPad E14 Gen 7 21U2002QGE | |
| Dell Pro 14 Plus PB14255 GH77W | |
| HP EliteBook 8 G1a 14 AD3E9ET | |
| HP EliteBook 6 G1q 14 | |
| Ortalama Qualcomm Snapdragon X Plus X1P-42-100 (45782 - 49288, n=9) | |
| Asus ExpertBook B5 B5404CMA | |
| HP ProBook 445 G10 | |
| AIDA64 / Memory Latency | |
| Asus ExpertBook B5 B5404CMA | |
| Dell Pro 14 Plus PB14255 GH77W | |
| HP EliteBook 8 G1a 14 AD3E9ET | |
| Lenovo ThinkPad E14 Gen 7 21U2002QGE | |
| HP ProBook 445 G10 | |
| HP EliteBook 6 G1q 14 | |
| Ortalama Qualcomm Snapdragon X Plus X1P-42-100 (6.8 - 8.7, n=5) | |
* ... daha küçük daha iyidir
Depolama Cihazları
Bizim Samsung PM9A1 eliteBook 8 14'teki PM9C1'den daha hızlıdır, ancak aşağıdaki karşılaştırma grafiğinde gösterildiği gibi DiskSpd döngü testimizde sadece birkaç dakika sonra gaz kesecektir. İkincil SSD'ler için yer yoktur.
| Drive Performance rating - Percent | |
| Dell Pro 14 Plus PB14255 GH77W | |
| HP EliteBook 8 G1a 14 AD3E9ET | |
| Lenovo ThinkPad E14 Gen 7 21U2002QGE | |
| HP EliteBook 6 G1q 14 | |
| Asus ExpertBook B5 B5404CMA | |
| HP ProBook 445 G10 | |
* ... daha küçük daha iyidir
Disk Daraltma: DiskSpd Okuma Döngüsü, Kuyruk Derinliği 8
GPU Performansı
Grafik performansı sistemin zayıf yönlerinden biri. Entegre Adreno X1 orta seviyeden bile daha iyi performans gösteriyor Ark 130V veya Radeon 860M serisi rakip alt dizüstü bilgisayarlarda özellikle GPU yoğun uygulamaların sistemde emüle edilmiş olarak çalışması gerektiğinden.
| 3DMark 11 Performance | 4591 puan | |
| 3DMark Cloud Gate Standard Score | 17447 puan | |
| 3DMark Fire Strike Score | 3667 puan | |
| 3DMark Time Spy Score | 1067 puan | |
Yardım | ||
* ... daha küçük daha iyidir
| Performance rating - Percent | |
| Lenovo ThinkPad E14 Gen 7 21U2002QGE | |
| Dell Pro 14 Plus PB14255 GH77W -2! | |
| HP EliteBook 8 G1a 14 AD3E9ET -1! | |
| Asus ExpertBook B5 B5404CMA | |
| HP EliteBook 6 G1q 14 | |
| HP ProBook 445 G10 -2! | |
| Cyberpunk 2077 - 1920x1080 Ultra Preset (FSR off) | |
| Lenovo ThinkPad E14 Gen 7 21U2002QGE | |
| HP EliteBook 8 G1a 14 AD3E9ET | |
| Dell Pro 14 Plus PB14255 GH77W | |
| Asus ExpertBook B5 B5404CMA | |
| HP EliteBook 6 G1q 14 | |
| Baldur's Gate 3 - 1920x1080 Ultra Preset AA:T | |
| Lenovo ThinkPad E14 Gen 7 21U2002QGE | |
| HP EliteBook 8 G1a 14 AD3E9ET | |
| Dell Pro 14 Plus PB14255 GH77W | |
| Asus ExpertBook B5 B5404CMA | |
| HP EliteBook 6 G1q 14 | |
| GTA V - 1920x1080 Highest AA:4xMSAA + FX AF:16x | |
| Lenovo ThinkPad E14 Gen 7 21U2002QGE | |
| HP EliteBook 8 G1a 14 AD3E9ET | |
| HP EliteBook 6 G1q 14 | |
| Asus ExpertBook B5 B5404CMA | |
| HP ProBook 445 G10 | |
| Final Fantasy XV Benchmark - 1920x1080 High Quality | |
| Lenovo ThinkPad E14 Gen 7 21U2002QGE | |
| HP EliteBook 8 G1a 14 AD3E9ET | |
| Dell Pro 14 Plus PB14255 GH77W | |
| Asus ExpertBook B5 B5404CMA | |
| HP EliteBook 6 G1q 14 | |
| HP ProBook 445 G10 | |
| Strange Brigade - 1920x1080 ultra AA:ultra AF:16 | |
| Lenovo ThinkPad E14 Gen 7 21U2002QGE | |
| Asus ExpertBook B5 B5404CMA | |
| Asus ExpertBook B5 B5404CMA | |
| HP EliteBook 6 G1q 14 | |
| HP ProBook 445 G10 | |
| Dota 2 Reborn - 1920x1080 ultra (3/3) best looking | |
| Dell Pro 14 Plus PB14255 GH77W | |
| Asus ExpertBook B5 B5404CMA | |
| Lenovo ThinkPad E14 Gen 7 21U2002QGE | |
| HP EliteBook 6 G1q 14 | |
| HP EliteBook 8 G1a 14 AD3E9ET | |
| HP ProBook 445 G10 | |
| X-Plane 11.11 - 1920x1080 high (fps_test=3) | |
| Dell Pro 14 Plus PB14255 GH77W | |
| HP EliteBook 8 G1a 14 AD3E9ET | |
| Lenovo ThinkPad E14 Gen 7 21U2002QGE | |
| HP EliteBook 6 G1q 14 | |
| Asus ExpertBook B5 B5404CMA | |
| HP ProBook 445 G10 | |
Cyberpunk 2077 ultra FPS Tablosu
| düşük | orta | yüksek | ultra | |
|---|---|---|---|---|
| GTA V (2015) | 112 | 103.6 | 34.2 | 15.3 |
| Dota 2 Reborn (2015) | 85.6 | 67.3 | 57.6 | 49.7 |
| Final Fantasy XV Benchmark (2018) | 37.5 | 18 | 9.88 | |
| X-Plane 11.11 (2018) | 40.9 | 30.5 | 27.3 | |
| Strange Brigade (2018) | 87.4 | 29.9 | 22.7 | 19.6 |
| Baldur's Gate 3 (2023) | 13.3 | 11.7 | 10.2 | 10.1 |
| Cyberpunk 2077 (2023) | 15.2 | 11.6 | 9.81 | 8.41 |
Emisyonlar
Sistem Gürültüsü
Çoğu Intel veya AMD sistemindeki fanlar çok daha çabuk hızlanırken, sistem tarama, çoklu görev ve video akışı gibi orta yükleri çalıştırırken bile çok sessiz kalır. Ancak CPU tamamen zorlanırsa fan gürültüsü 40 dB(A)'nın biraz üzerine çıkabilir ki bu da çoğu dizüstü bilgisayar için benzer bir tavan değeridir.
Ses yüksekliği
| Boşta |
| 22.8 / 22.8 / 22.8 dB |
| Çalışırken |
| 22.8 / 41.8 dB |
![]() | ||
30 dB sessiz 40 dB(A) duyulabilirlik 50 dB(A) gürültülü |
||
min: | ||
| HP EliteBook 6 G1q 14 SD X Plus X1P-42-100, Adreno X1-45 1.7 TFLOPS | HP EliteBook 8 G1a 14 AD3E9ET R7 250, Radeon 780M | HP ProBook 445 G10 R5 7530U, Vega 7 | Lenovo ThinkPad E14 Gen 7 21U2002QGE Core Ultra 5 228V, Arc 130V | Dell Pro 14 Plus PB14255 GH77W Ryzen AI 7 PRO 350, Radeon 860M | Asus ExpertBook B5 B5404CMA Ultra 7 155U, Graphics 4-Core iGPU (Arrow Lake) | |
|---|---|---|---|---|---|---|
| Noise | -19% | -13% | -17% | -14% | -38% | |
| kapalı / ortam * (dB) | 22.7 | 23.7 -4% | 24 -6% | 24.5 -8% | 24.9 -10% | 23 -1% |
| Idle Minimum * (dB) | 22.8 | 23.7 -4% | 24 -5% | 24.5 -7% | 24.9 -9% | 27.38 -20% |
| Idle Average * (dB) | 22.8 | 23.7 -4% | 25 -10% | 24.5 -7% | 24.9 -9% | 27.38 -20% |
| Idle Maximum * (dB) | 22.8 | 23.7 -4% | 28 -23% | 25.4 -11% | 27.6 -21% | 27.38 -20% |
| Load Average * (dB) | 22.8 | 39.1 -71% | 33 -45% | 38.6 -69% | 29.3 -29% | 45.35 -99% |
| Cyberpunk 2077 ultra * (dB) | 29.4 | 42.4 -44% | 34.9 -19% | 37.5 -28% | 52.3 -78% | |
| Load Maximum * (dB) | 41.8 | 42.3 -1% | 36 14% | 41.5 1% | 37.5 10% | 52.21 -25% |
| Witcher 3 ultra * (dB) | 36 |
* ... daha küçük daha iyidir
Sıcaklık
Yüzey sıcaklıkları, kasanın işlemciye yakın sol yarısında belirgin şekilde daha yüksektir. Sıcak noktalar yaklaşık 40 C'ye ulaşabilir, bu da Intel destekli cihazda kaydettiğimizden sadece biraz daha soğuktur ThinkPad E14 Gen 7.
(+) Üst taraftaki maksimum sıcaklık, 34.3 °C / 94 F ortalamasına kıyasla 37.2 °C / 99 F'dir. , Office sınıfı için 21.2 ile 62.5 °C arasında değişir.
(±) Alt kısım, 36.8 °C / 98 F ortalamasına kıyasla maksimum 42.4 °C / 108 F'ye kadar ısınır
(+) Boşta kullanımda, üst tarafın ortalama sıcaklığı 22.5 °C / 73 F olup, cihazın 29.5 °C / 85 F.
(+) Avuç içi dayanakları ve dokunmatik yüzey, maksimum 26.4 °C / 79.5 F ile cilt sıcaklığından daha soğuktur ve bu nedenle dokunulduğunda soğuktur.
(±) Benzer cihazların avuç içi dayanağı alanının ortalama sıcaklığı 27.5 °C / 81.5 F (+1.1 °C / 2 F) idi.
| HP EliteBook 6 G1q 14 SD X Plus X1P-42-100, Adreno X1-45 1.7 TFLOPS | HP EliteBook 8 G1a 14 AD3E9ET R7 250, Radeon 780M | HP ProBook 445 G10 R5 7530U, Vega 7 | Lenovo ThinkPad E14 Gen 7 21U2002QGE Core Ultra 5 228V, Arc 130V | Dell Pro 14 Plus PB14255 GH77W Ryzen AI 7 PRO 350, Radeon 860M | Asus ExpertBook B5 B5404CMA Ultra 7 155U, Graphics 4-Core iGPU (Arrow Lake) | |
|---|---|---|---|---|---|---|
| Heat | -10% | -19% | -5% | -10% | -20% | |
| Maximum Upper Side * (°C) | 37.2 | 41.3 -11% | 43 -16% | 41.7 -12% | 38.1 -2% | 38.6 -4% |
| Maximum Bottom * (°C) | 42.4 | 40.5 4% | 51 -20% | 43.3 -2% | 40.1 5% | 48 -13% |
| Idle Upper Side * (°C) | 24.2 | 27.4 -13% | 27 -12% | 24.3 -0% | 28.9 -19% | 28.8 -19% |
| Idle Bottom * (°C) | 23.6 | 28.6 -21% | 30 -27% | 25 -6% | 29.6 -25% | 33.4 -42% |
* ... daha küçük daha iyidir
Stres Testi
| Ortalama CPU Saati (GHz) | GPU Saati (MHz) | Ortalama CPU Sıcaklığı (°C) | |
| Sistem Boşta | -- | -- | 23 |
| Prime95 Stres | 2.7 | -- | 76 |
| Prime95 + FurMark Stres | 2.2 - 2.7 | 1107 | 65 - 82 |
| Cyberpunk 2077 Stres | 3.2 | 1107 | 48 |
Konuşmacılar
HP EliteBook 6 G1q 14 ses analizi
(+) | hoparlörler nispeten yüksek sesle çalabilir (84.3 dB)
Bas 100 - 315Hz
(-) | neredeyse hiç bas yok - ortalama olarak medyandan 24% daha düşük
(±) | Bas doğrusallığı ortalamadır (8.4% delta - önceki frekans)
Ortalar 400 - 2000 Hz
(+) | dengeli ortalar - medyandan yalnızca 3.8% uzakta
(+) | orta frekanslar doğrusaldır (6% deltadan önceki frekansa)
Yüksekler 2 - 16 kHz
(+) | dengeli yüksekler - medyandan yalnızca 3.5% uzakta
(+) | yüksekler doğrusaldır (5.4% deltadan önceki frekansa)
Toplam 100 - 16.000 Hz
(±) | Genel sesin doğrusallığı ortalamadır (15.5% ortancaya göre fark)
Aynı sınıfla karşılaştırıldığında
» Bu sınıftaki tüm test edilen cihazların %16%'si daha iyi, 4% benzer, 81% daha kötüydü
» En iyisinin deltası 7% idi, ortalama 21% idi, en kötüsü 53% idi
Test edilen tüm cihazlarla karşılaştırıldığında
» Test edilen tüm cihazların %23'si daha iyi, 4 benzer, % 73 daha kötüydü
» En iyisinin deltası 4% idi, ortalama 24% idi, en kötüsü 134% idi
Apple MacBook Pro 16 2021 M1 Pro ses analizi
(+) | hoparlörler nispeten yüksek sesle çalabilir (84.7 dB)
Bas 100 - 315Hz
(+) | iyi bas - medyandan yalnızca 3.8% uzakta
(+) | bas doğrusaldır (5.2% delta ile önceki frekans)
Ortalar 400 - 2000 Hz
(+) | dengeli ortalar - medyandan yalnızca 1.3% uzakta
(+) | orta frekanslar doğrusaldır (2.1% deltadan önceki frekansa)
Yüksekler 2 - 16 kHz
(+) | dengeli yüksekler - medyandan yalnızca 1.9% uzakta
(+) | yüksekler doğrusaldır (2.7% deltadan önceki frekansa)
Toplam 100 - 16.000 Hz
(+) | genel ses doğrusaldır (4.6% ortancaya göre fark)
Aynı sınıfla karşılaştırıldığında
» Bu sınıftaki tüm test edilen cihazların %0%'si daha iyi, 0% benzer, 100% daha kötüydü
» En iyisinin deltası 5% idi, ortalama 17% idi, en kötüsü 45% idi
Test edilen tüm cihazlarla karşılaştırıldığında
» Test edilen tüm cihazların %0'si daha iyi, 0 benzer, % 100 daha kötüydü
» En iyisinin deltası 4% idi, ortalama 24% idi, en kötüsü 134% idi
Enerji Yönetimi
Güç Tüketimi
Snapdragon destekli EliteBook'un özellikle tarayıcı veya video gibi günlük iş yüklerini çalıştırırken çok verimli olması bekleniyor. Core Ultra 7 258V gibi bir sistemden daha zorlu olabilir ThinkPad T14 G6 cPU tamamen zorlandığında, ancak aynı zamanda watt başına benzer bir performans seviyesi için daha hızlı performans sunar.
Küçük (~8,9 x 5 x 2,8 cm) 65 W USB-C AC adaptöründen maksimum 69 W çekiş kaydedebildik.
| Kapalı / Bekleme modu | |
| Boşta | |
| Çalışırken |
|
Key:
min: | |
| HP EliteBook 6 G1q 14 SD X Plus X1P-42-100, Adreno X1-45 1.7 TFLOPS, Samsung PM9A1 MZVL2512HCJQ, IPS, 1920x1200, 14" | HP EliteBook 8 G1a 14 AD3E9ET R7 250, Radeon 780M, Samsung PM9C1 MZVL81T0HELB-00BTW, IPS LED, 1920x1200, 14" | HP ProBook 445 G10 R5 7530U, Vega 7, Kioxia BG5 KBG50ZNS512G, IPS, 1920x1080, 14" | Lenovo ThinkPad E14 Gen 7 21U2002QGE Core Ultra 5 228V, Arc 130V, Samsung PM9C1b MZVL81T0HFLB-00BH1, IPS, 2880x1800, 14" | Dell Pro 14 Plus PB14255 GH77W Ryzen AI 7 PRO 350, Radeon 860M, Micron 2500 1TB MTFDKBA1T0QGN, IPS LED, 1920x1200, 14" | Asus ExpertBook B5 B5404CMA Ultra 7 155U, Graphics 4-Core iGPU (Arrow Lake), Micron 2400 MTFDKBA1T0QFM, IPS, 1920x1200, 14" | |
|---|---|---|---|---|---|---|
| Power Consumption | -44% | -58% | -63% | -53% | -59% | |
| Idle Minimum * (Watt) | 3.4 | 3.2 6% | 7 -106% | 3.9 -15% | 3.7 -9% | 2.57 24% |
| Idle Average * (Watt) | 4.5 | 5.2 -16% | 8 -78% | 7.2 -60% | 7.3 -62% | 5.95 -32% |
| Idle Maximum * (Watt) | 5.9 | 6.1 -3% | 9 -53% | 8.6 -46% | 8.5 -44% | 6.85 -16% |
| Load Average * (Watt) | 18.4 | 41.8 -127% | 34 -85% | 39.9 -117% | 37.4 -103% | 45.6 -148% |
| Cyberpunk 2077 ultra * (Watt) | 22.1 | 42.1 -90% | 44.8 -103% | 35.9 -62% | 48.6 -120% | |
| Cyberpunk 2077 ultra external monitor * (Watt) | 20.1 | 41.6 -107% | 42.1 -109% | 40.3 -100% | 48 -139% | |
| Load Maximum * (Watt) | 69.2 | 50.5 27% | 47 32% | 61 12% | 64.6 7% | 55.7 20% |
| Witcher 3 ultra * (Watt) | 36.2 |
* ... daha küçük daha iyidir
Güç Tüketimi Cyberpunk / Stres Testi
Güç Tüketimi harici Monitör
Pil Ömrü
Çalışma süreleri 56 Wh batarya ile neredeyse 16 saat gerçek dünyada gezinme ile çok uzundur. Daha küçük ve hafif 48 Wh pilli konfigürasyonlar da mevcuttur.
| HP EliteBook 6 G1q 14 SD X Plus X1P-42-100, Adreno X1-45 1.7 TFLOPS, 56 Wh | HP EliteBook 8 G1a 14 AD3E9ET R7 250, Radeon 780M, 62 Wh | HP ProBook 445 G10 R5 7530U, Vega 7, 42 Wh | Lenovo ThinkPad E14 Gen 7 21U2002QGE Core Ultra 5 228V, Arc 130V, 64 Wh | Dell Pro 14 Plus PB14255 GH77W Ryzen AI 7 PRO 350, Radeon 860M, 55 Wh | Asus ExpertBook B5 B5404CMA Ultra 7 155U, Graphics 4-Core iGPU (Arrow Lake), 63 Wh | |
|---|---|---|---|---|---|---|
| Pil Çalışma Süresi | -11% | -40% | -8% | -26% | -18% | |
| WiFi v1.3 (h) | 15.9 | 14.2 -11% | 9.5 -40% | 14.6 -8% | 11.8 -26% | 13.1 -18% |
| Load (h) | 1.8 | 1.8 | ||||
| H.264 (h) | 12.7 |
Notebookcheck Değerlendirmesi
Çok uzun pil ömrü, sessiz çalışma ve zengin bağlantı özellikleri, çoğunlukla ARM yerel uygulamaları çalıştırıyorsanız HP EliteBook 6 G1q 14'ü çekici bir iş dizüstü bilgisayarı haline getirir.
HP EliteBook 6 G1q 14
- 01/02/2026 v8
Allen Ngo
Karşılaştırmada Potansiyel Rakipler
Resim | Modeli / incelemeler | Fiyat | Ağırlık | Yükseklik | Ekran |
|---|---|---|---|---|---|
| HP EliteBook 6 G1q 14 Qualcomm Snapdragon X Plus X1P-42-100 ⎘ Qualcomm SD X Adreno X1-45 1.7 TFLOPS ⎘ 32 GB Bellek, 512 GB SSD | Amazon: Liste fiyatı: 1300 USD | 1.5 kg | 17 mm | 14.00" 1920x1200 162 PPI IPS | |
| HP EliteBook 8 G1a 14 AD3E9ET AMD Ryzen 7 250 ⎘ AMD Radeon 780M ⎘ 32 GB Bellek, 1024 GB SSD | Amazon: Liste fiyatı: 1695 Euro | 1.4 kg | 19.1 mm | 14.00" 1920x1200 162 PPI IPS LED | |
| HP ProBook 445 G10 AMD Ryzen 5 7530U ⎘ AMD Radeon RX Vega 7 ⎘ 16 GB Bellek, 512 GB SSD | Amazon: 1. $949.98 HP ProBook 450 G10 Business ... 2. $599.00 HP ProBook 445 G10 14" FHD (... 3. $349.98 HP ProBook 445 G9 14" Notebo... Liste fiyatı: 830 EUR | 1.3 kg | 20 mm | 14.00" 1920x1080 157 PPI IPS | |
| Lenovo ThinkPad E14 Gen 7 21U2002QGE Intel Core Ultra 5 228V ⎘ Intel Arc Graphics 130V ⎘ 32 GB Bellek, 1000 GB SSD | Amazon: Liste fiyatı: 1199€ | 1.4 kg | 15.3 mm | 14.00" 2880x1800 243 PPI IPS | |
| Dell Pro 14 Plus PB14255 GH77W AMD Ryzen AI 7 PRO 350 ⎘ AMD Radeon 860M ⎘ 32 GB Bellek, 1024 GB SSD | Amazon: Liste fiyatı: 1630 Euro | 1.6 kg | 22 mm | 14.00" 1920x1200 162 PPI IPS LED | |
| Asus ExpertBook B5 B5404CMA Intel Core Ultra 7 155U ⎘ Intel Graphics 4-Core iGPU (Meteor / Arrow Lake) ⎘ 16 GB Bellek, 1024 GB SSD | Amazon: 1. $1,529.99 ASUS ExpertBook B5 Thin & Li... 2. $69.99 FCZFCZ C31N2005 Battery 50Wh... 3. $160.50 Factory Original 8GB (1x8GB)... Liste fiyatı: 1340 USD | 1.3 kg | 19 mm | 14.00" 1920x1200 162 PPI IPS |
Şeffaflık
İncelenecek cihazların seçimi editör ekibimiz tarafından yapılır. Test örneği, bu incelemenin amacı doğrultusunda üretici veya perakendeci tarafından yazara ödünç olarak sağlanmıştır. Borç verenin bu inceleme üzerinde herhangi bir etkisi olmadığı gibi, üretici de yayınlanmadan önce bu incelemenin bir kopyasını almamıştır. Bu incelemeyi yayınlama zorunluluğu yoktu. Bağımsız bir medya şirketi olarak Notebookcheck, üreticilerin, perakendecilerin veya yayıncıların otoritesine tabi değildir.
Notebookcheck bu şekilde test yapıyor
Notebookcheck, tüm sonuçların karşılaştırılabilir olmasını sağlamak için her yıl yüzlerce dizüstü bilgisayarı ve akıllı telefonu standart prosedürler kullanarak bağımsız olarak inceliyor. Yaklaşık 20 yıldır test yöntemlerimizi sürekli olarak geliştirdik ve bu süreçte endüstri standartlarını belirledik. Test laboratuvarlarımızda deneyimli teknisyenler ve editörler tarafından yüksek kaliteli ölçüm ekipmanları kullanılmaktadır. Bu testler çok aşamalı bir doğrulama sürecini içerir. Karmaşık derecelendirme sistemimiz, nesnelliği koruyan yüzlerce sağlam temellere dayanan ölçüm ve kıyaslamaya dayanmaktadır.



























































