Karar Samsung Galaxy A17 4G
AMOLED ekranlı bir akıllı telefonu Samsung Galaxy A17 4G'den daha ucuza alamazsınız: Telefon için 200 Euro'dan daha az ödüyorsunuz. Ancak 5G özelliği olmadan ve en azından temel model için 4 GB RAM ile yetinmek zorundasınız. Pil ömrü de oldukça vasat.
Nispeten yavaş SoC üzerinde aşırı karmaşık uygulamalar çalıştırmak istemeyeceksiniz. Bununla birlikte, çoğu günlük görev sorunsuz çalışır.
Geniş açılı ve makro kameralı esnek kamera sistemi de çok düşük çözünürlüğe sahip olsalar bile alışılmadık bir özellik.
Ekranda PWM titremesi ile yaşamak zorundasınız ve Wi-Fi hızına çok yüksek taleplerde bulunmamalısınız.
Bununla birlikte, genel olarak, Samsung Galaxy A17 4G, kesinlikle görülmeye değer, alışılmadık derecede iyi donanımlı, ekonomik bir akıllı telefon.
Artılar
Eksiler
Fiyat ve bulunabilirlik
Amazon.com 'da akıllı telefon için yaklaşık 230 ABD doları ödeyeceksiniz.
İçindekiler
- Karar Samsung Galaxy A17 4G
- Teknik Özellikler
- Muhafaza ve özellikler - plastik ve Gorilla Glass
- İletişim ve çalıştırma - Parmak izi sensörlü LTE telefon
- Yazılım ve sürdürülebilirlik - 6 yıllık güncellemeler?
- Kameralar - Alışılmadık derecede esnek
- Ekran - Parlak 90 Hz AMOLED
- Performans, emisyonlar ve pil ömrü - oldukça hızlı
- Notebookcheck genel değerlendirmesi
- Karşılaştırmada olası alternatifler
Teknik Özellikler
Muhafaza ve özellikler - plastik ve Gorilla Glass
Samsung Galaxy A17 4G'nin kasası yeniden tasarlandı, inceltildi ve önceki modele göre 10 gram daha hafif hale getirildi.
Tüm kasa plastikten yapılmış, ancak sağlam görünüyor ve temiz bir yüzeye sahip. Arka kısım ortam ışığını hafifçe yansıtıyor, ancak genel tasarım oldukça sade. Kameralar oval bir modülde birleştirilmiştir. Ekran, bu fiyat aralığında nadir bulunan Gorilla Glass Victus ile korunuyor.
Test cihazımız 4 GB RAM ve 128 GB yığın depolama alanı ile geliyor. Ayrıca 8 GB RAM ve 256 GB yığın depolama alanına sahip bir model de var, fiyat farkı yaklaşık 30 Euro.
Örneğin mobil ödeme hizmetleri için NFC'nin mevcut olması hoşumuza gitti.
Bir eSIM kullanılamaz, ancak iki nano-SIM yuvası mevcuttur. Bunlardan biri hafızayı 2 TB'a kadar genişleten bir microSD kart için de kullanılabilir. Testimizde, okuyucu oldukça hızlı ve oldukça istikrarlı aktarım hızlarıyla çalıştı.
Top 10
» Top 10 Multimedia Notebook listesi
» Top 10 oyun notebooku
» Top 10 bütçeye uygun Ofis/İş Notebook Listesi
» Top 10 Premium Ofis/İş notebookları
» Top 10 Çalışma istasyonu laptopları
» Top 10 Subnotebook listesi
» Top 10 Ultrabooklar
» En iyi 10 dönüştürülebilir modeli
» Seçimi en iyi 10 tablet
» Notebookcheck Top 10 Windows Tabletleri
» Top 10 Subnotebook listesi
» NotebookCheck tarafından incelenen en iyi Notebook ekranları
» Notebookcheck'in 500 Euro altındaki en iyi 10 Notebook listesi
» NotebookCheck tarafından seçilen 300 Euro altındaki en iyi 10 Notebook
» Notebookcheck'in 500 Euro altındaki en iyi 10 Notebook listesi
» Notebookcheck'in Top 10 akıllı telefon listesi
» Notebookcheck'in Top 10 hafif oyun notebookları
| SD Card Reader - average JPG Copy Test (av. of 3 runs) | |
| Samsung Galaxy A17 5G (Angelbird V60) | |
| Samsung Galaxy A16 4G (Angelbird V60) | |
| Samsung Galaxy A17 4G | |
| Xiaomi Redmi 15C 5G (Angelbird V60) | |
| Sınıf ortalaması Smartphone (5.72 - 58.9, n=69, son 2 yıl) | |
| Motorola Moto G15 (Angelbird V60) | |
Çapraz Platform Disk Testi (CPDT)
İletişim ve çalıştırma - Parmak izi sensörlü LTE telefon
5G mobil iletişim olmadan yapmak zorundasınız ve LTE ağında da çok fazla frekans bandı mevcut değil.
Testimiz sırasında çeşitli nokta kontrollerinde sinyal alımı her zaman optimal değil, ancak nadiren tamamen başarısız oluyor.
Wi-Fi'de telefon en fazla WiFi 5 standardını kullanabiliyor. Bu da yaklaşık 300 MBit/s veri hızlarına oldukça istikrarlı bir şekilde ulaşıldığı anlamına geliyor.
Ekran saniyede 90 kareye kadar görüntüleyebiliyor ve bu nedenle girdilere oldukça hızlı tepki veriyor. Dokunmatik ekran hassas bir şekilde çalıştırılabilir.
Kasanın sağ tarafındaki bekleme düğmesine entegre edilmiş bir parmak izi sensörü, telefonun kilidini güvenilir bir şekilde ve çok az bekleme süresiyle açıyor. Yüz tanıma yoluyla biyometrik kilit açma da mümkündür. Ayrıca iyi ortam ışığında oldukça hızlı ve doğru çalışır.
| Networking | |
| Samsung Galaxy A17 4G | |
| iperf3 transmit AXE11000 | |
| iperf3 receive AXE11000 | |
| Samsung Galaxy A17 5G | |
| iperf3 transmit AXE11000 | |
| iperf3 receive AXE11000 | |
| Xiaomi Redmi 15C 5G | |
| iperf3 transmit AXE11000 | |
| iperf3 receive AXE11000 | |
| Samsung Galaxy A16 4G | |
| iperf3 transmit AXE11000 | |
| iperf3 receive AXE11000 | |
| Motorola Moto G15 | |
| iperf3 transmit AXE11000 | |
| iperf3 receive AXE11000 | |
| Ortalama 802.11 a/b/g/n/ac | |
| iperf3 transmit AXE11000 | |
| iperf3 receive AXE11000 | |
| Sınıf ortalaması Smartphone | |
| iperf3 transmit AXE11000 | |
| iperf3 receive AXE11000 | |
Yazılım ve sürdürülebilirlik - 6 yıllık güncellemeler?
Android 15, Samsung'un OneUI'si ile birlikte cihaza önceden yüklenmiştir ve bu da işletim sistemini oldukça önemli ölçüde değiştirmektedir.
Galaxy A17 4G, 2031 yılına kadar, yani lansmandan itibaren altı yıl boyunca güncelleme alacak ve bu süre boyunca işletim sisteminin yeni sürümleri mevcut olacak. Ancak Samsung, web sitesinde bunu "kadar" eklemesi ve diğer yasal maddelerle kısıtlıyor. Yani bu büyük vaade tam olarak güvenemezsiniz.
Galaxy A17 4G kağıt içinde paketlenmiştir. Geri dönüştürülmüş malzemeler ürünün sadece %1,4'ünü oluşturmaktadır. En azından kendi kendini onarma veritabanı var samsung'un yedek parça sunduğu.
Kameralar - Alışılmadık derecede esnek
Kameralarda, önceki yıllara kıyasla hiçbir şey değişmedi Galaxy A16 4Gancak zaten çok iyi donanımlıydı: 50 megapiksel ana kameraya ek olarak, geniş açılı bir lens ve bir makro lens de var. Her ikisi de düşük çözünürlüğe sahip, ancak kamera sistemi yine de oldukça esnek.
Ana kamera, soğuk renkler gösteren fena olmayan fotoğraflar çekiyor. Detaylar her zaman kolayca fark edilemiyor. Çevreleyen görüntü de yer yer biraz bulanık görünüyor. Düşük ışıkta ve güçlü kontrastlarda parlaklık oldukça iyi ve çoğu alanda ayrıntıları seçebiliyorsunuz.
Videolar maksimum 1080p ve 30 fps hızında kaydedilebilir. Ayrıntı seviyesi iyi, ancak otomatik odaklama bazen çok yavaş.
Geniş açılı kameradan gelen görüntü oldukça kaba görünüyor. Ön kamera iyi düzeyde ayrıntıya sahip düzgün selfie'ler çekiyor.
Görüntü Karşılaştırma
Bir sahne seçin ve ilk görüntüde gezinin. Tek bir tıklama dokunmatik ekranlardaki konumu değiştirir. Yakınlaştırılmış görüntüye tek tıklamayla orijinal yeni bir pencerede açılır. İlk resimde test cihazının ölçekli fotoğrafı gösterilmektedir.
Hauptkamera PflanzeHauptkamera UmgebungHauptkamera LowLightWeitwinkel


Ekran - Parlak 90 Hz AMOLED
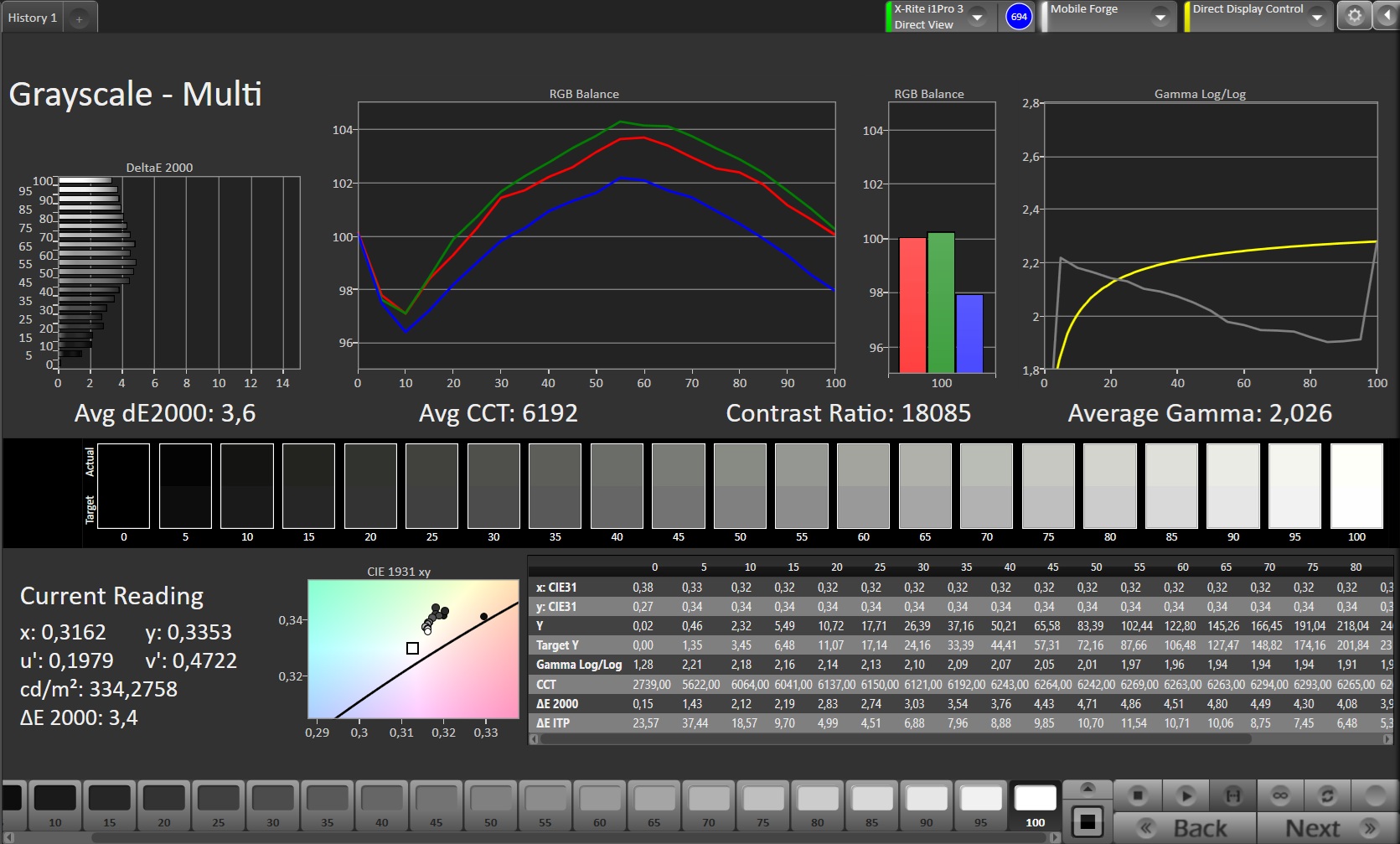
Galaxy A17'nin AMOLED ekranı 200 avronun altındaki fiyat aralığında nadir bulunan bir özellik. Ekran 687 cd/m²'ye kadar oldukça parlak.
Renk üretimi de çıplak gözle zorlukla görülebilen hafif sapmalarla memnuniyet verici.
Görüntü oldukça keskin görünüyor ve renkler canlı.
Bununla birlikte, düşük parlaklık seviyelerinde PWM titremesini de kabul etmeniz gerekir.
| |||||||||||||||||||||||||
Aydınlatma: 93 %
Batarya modunda parlaklık: 687 cd/m²
Kontrast: ∞:1 (Siyah: 0 cd/m²)
ΔE ColorChecker Calman: 3.45 | ∀{0.5-29.43 Ø4.78}
ΔE Greyscale Calman: 3.6 | ∀{0.09-98 Ø5}
99.8% sRGB (Calman 2D)
Gamma: 2.026
CCT: 6192 K
| Samsung Galaxy A17 4G AMOLED, 2340x1080, 6.7" | Samsung Galaxy A17 5G AMOLED, 2340x1080, 6.7" | Xiaomi Redmi 15C 5G IPS, 1600x720, 6.9" | Samsung Galaxy A16 4G Super AMOLED, 2340x1080, 6.7" | Motorola Moto G15 IPS, 2400x1080, 6.7" | |
|---|---|---|---|---|---|
| Screen | 5% | 1% | 8% | 5% | |
| Brightness middle (cd/m²) | 687 | 691 1% | 591 -14% | 729 6% | 468 -32% |
| Brightness (cd/m²) | 666 | 672 1% | 557 -16% | 716 8% | 452 -32% |
| Brightness Distribution (%) | 93 | 92 -1% | 91 -2% | 95 2% | 86 -8% |
| Black Level * (cd/m²) | 0.51 | 0.3 | |||
| Colorchecker dE 2000 * | 3.45 | 3.15 9% | 3.25 6% | 3.14 9% | 2.07 40% |
| Colorchecker dE 2000 max. * | 5.49 | 4.41 20% | 6.77 -23% | 4.24 23% | 6.38 -16% |
| Greyscale dE 2000 * | 3.6 | 3.6 -0% | 1.6 56% | 3.6 -0% | 0.8 78% |
| Gamma | 2.026 109% | 2.041 108% | 2.299 96% | 2.057 107% | 2.202 100% |
| CCT | 6192 105% | 6507 100% | 6967 93% | 6441 101% | 6607 98% |
| Contrast (:1) | 1159 | 1560 |
* ... daha küçük daha iyidir
Ekran Titremesi / PWM (Darbe Genişliği Modülasyonu)
| Ekran titriyor / PWM algılandı | 367 Hz Amplitude: 16 % | ||
Ekran arka ışığı 367 Hz'de titriyor (en kötü durum, örneğin PWM kullanılması) . 367 Hz frekansı nispeten yüksektir, bu nedenle PWM'ye duyarlı çoğu kullanıcı herhangi bir titremeyi fark etmemelidir. Ancak bazı kullanıcıların 500 Hz ve üzeri PWM'ye hâlâ duyarlı olduğuna dair raporlar var, bu nedenle dikkatli olun. Karşılaştırıldığında: Test edilen tüm cihazların %53 %'si ekranı karartmak için PWM kullanmıyor. PWM tespit edilirse, ortalama 8121 (minimum: 5 - maksimum: 343500) Hz ölçüldü. | |||
Yanıt Sürelerini Görüntüle
| ↔ Tepki Süresi Siyahtan Beyaza | ||
|---|---|---|
| 2.5 ms ... yükseliş ↗ ve sonbahar↘ birleşimi | ↗ 1.2 ms yükseliş | |
| ↘ 1.3 ms sonbahar | ||
| Ekran, testlerimizde çok hızlı yanıt oranları gösteriyor ve hızlı oyun oynamaya çok uygun olmalı. Karşılaştırıldığında, test edilen tüm cihazlar 0.1 (minimum) ile 240 (maksimum) ms arasında değişir. » Tüm cihazların 12 %'si daha iyi. Bu, ölçülen yanıt süresinin test edilen tüm cihazların ortalamasından (20.2 ms) daha iyi olduğu anlamına gelir. | ||
| ↔ Tepki Süresi %50 Griden %80 Griye | ||
| 2 ms ... yükseliş ↗ ve sonbahar↘ birleşimi | ↗ 1 ms yükseliş | |
| ↘ 1 ms sonbahar | ||
| Ekran, testlerimizde çok hızlı yanıt oranları gösteriyor ve hızlı oyun oynamaya çok uygun olmalı. Karşılaştırıldığında, test edilen tüm cihazlar 0.165 (minimum) ile 636 (maksimum) ms arasında değişir. » Tüm cihazların 8 %'si daha iyi. Bu, ölçülen yanıt süresinin test edilen tüm cihazların ortalamasından (31.6 ms) daha iyi olduğu anlamına gelir. | ||
Performans, emisyonlar ve pil ömrü - oldukça hızlı
Bu MediaTek Helio G99 bu fiyat kategorisinde çok popüler bir SoC'dir. Genellikle sorunsuz çalışma sağlar, ancak daha zorlu durumlarda bekleme süreleri oluşabilir.
Performans, Galaxy A17'nin 5G modelinin önemli ölçüde altındadır, ancak aksi takdirde benzer fiyatlı modellerle aynı seviyededir. UFS 2.2 bellek oldukça hızlı çalışıyor, ancak aslında öncekinden daha yavaş, bu sadece farklı bir bellek denetleyicisi veya yazılım azaltma ile açıklanabilir.
Telefon uzun süreli yük altında maksimum 44,4 °C'ye kadar ısınıyor, bu fark edilebilir ancak kritik değil. Telefon ayrıca uzun süreli kullanımdan sonra en iyi ihtimalle minimum düzeyde yavaşlıyor.
Alt kenardaki tek hoparlörün sesi önceki modele göre daha iyi, maksimum ses seviyesinde hala iyi ve artık tiz ağırlıklı değil. Böylece pop müzik veya film müziklerini kesinlikle dinleyebilirsiniz. Harici ses cihazları için USB veya Bluetooth bağlantıları mevcut. Bununla birlikte, kablosuz iletim için nispeten az sayıda ses codec'i vardır.
5.000 mAh kapasiteli batarya, yeni modelle aynıdır Galaxy A16 4G ve çalışma süreleri sadece biraz farklıdır. Samsung Galaxy A17 4G, WiFi pil testimizde yaklaşık 13 saat dayanıyor ve diğer telefonlara kıyasla zayıf yönlerinden birini ortaya koyuyor.
| Jetstream 2 - 2.0 Total Score | |
| Sınıf ortalaması Smartphone (23.8 - 387, n=153, son 2 yıl) | |
| Samsung Galaxy A17 5G | |
| Xiaomi Redmi 15C 5G | |
| Samsung Galaxy A17 4G | |
| Ortalama Mediatek Helio G99 (46.9 - 90.3, n=13) | |
| Samsung Galaxy A17 4G | Samsung Galaxy A17 5G | Xiaomi Redmi 15C 5G | Samsung Galaxy A16 4G | Motorola Moto G15 | Ortalama 128 GB eMMC Flash | Sınıf ortalaması Smartphone | |
|---|---|---|---|---|---|---|---|
| AndroBench 3-5 | -1% | 181% | 179% | -3% | -16% | 476% | |
| Sequential Read 256KB (MB/s) | 518.6 | 528.2 2% | 509.9 -2% | 942.8 82% | 287.7 -45% | 300 ? -42% | 2223 ? 329% |
| Sequential Write 256KB (MB/s) | 172.6 | 170.7 -1% | 512.1 197% | 710.8 312% | 228.5 32% | 195.1 ? 13% | 1838 ? 965% |
| Random Read 4KB (MB/s) | 141.1 | 134.7 -5% | 196.3 39% | 208.8 48% | 65.2 -54% | 85.9 ? -39% | 295 ? 109% |
| Random Write 4KB (MB/s) | 55.9 | 56.4 1% | 329 489% | 208.1 272% | 87.4 56% | 58.1 ? 4% | 335 ? 499% |
(±) Üst taraftaki maksimum sıcaklık, 35.2 °C / 95 F ortalamasına kıyasla 44.4 °C / 112 F'dir. , Smartphone sınıfı için 21.9 ile 247 °C arasında değişir.
(±) Alt kısım, 34 °C / 93 F ortalamasına kıyasla maksimum 44.9 °C / 113 F'ye kadar ısınır
(+) Boşta kullanımda, üst tarafın ortalama sıcaklığı 25.3 °C / 78 F olup, cihazın 32.9 °C / 91 F.
3DMark Stres Testleri
| 3DMark | |
| Wild Life Stress Test Stability | |
| Samsung Galaxy A17 4G | |
| Motorola Moto G15 | |
| Samsung Galaxy A17 5G | |
| Xiaomi Redmi 15C 5G | |
| Samsung Galaxy A16 4G | |
| Wild Life Extreme Stress Test | |
| Motorola Moto G15 | |
| Xiaomi Redmi 15C 5G | |
| Samsung Galaxy A17 4G | |
| Samsung Galaxy A16 4G | |
| Samsung Galaxy A17 5G | |
Samsung Galaxy A17 4G ses analizi
(+) | hoparlörler nispeten yüksek sesle çalabilir (89 dB)
Bas 100 - 315Hz
(-) | neredeyse hiç bas yok - ortalama olarak medyandan 24% daha düşük
(±) | Bas doğrusallığı ortalamadır (12.9% delta - önceki frekans)
Ortalar 400 - 2000 Hz
(±) | daha yüksek ortalar - ortalama olarak medyandan 6.1% daha yüksek
(+) | orta frekanslar doğrusaldır (5.3% deltadan önceki frekansa)
Yüksekler 2 - 16 kHz
(±) | daha yüksek en yüksekler - ortalama olarak medyandan 6.5% daha yüksek
(±) | Yükseklerin doğrusallığı ortalamadır (9% delta - önceki frekans)
Toplam 100 - 16.000 Hz
(±) | Genel sesin doğrusallığı ortalamadır (21.9% ortancaya göre fark)
Aynı sınıfla karşılaştırıldığında
» Bu sınıftaki tüm test edilen cihazların %44%'si daha iyi, 8% benzer, 48% daha kötüydü
» En iyisinin deltası 11% idi, ortalama 35% idi, en kötüsü 134% idi
Test edilen tüm cihazlarla karşılaştırıldığında
» Test edilen tüm cihazların %62'si daha iyi, 7 benzer, % 31 daha kötüydü
» En iyisinin deltası 4% idi, ortalama 24% idi, en kötüsü 134% idi
Motorola Moto G15 ses analizi
(+) | hoparlörler nispeten yüksek sesle çalabilir (84.3 dB)
Bas 100 - 315Hz
(-) | neredeyse hiç bas yok - ortalama olarak medyandan 23.7% daha düşük
(±) | Bas doğrusallığı ortalamadır (11.9% delta - önceki frekans)
Ortalar 400 - 2000 Hz
(±) | daha yüksek ortalar - ortalama olarak medyandan 5.3% daha yüksek
(+) | orta frekanslar doğrusaldır (5.8% deltadan önceki frekansa)
Yüksekler 2 - 16 kHz
(+) | dengeli yüksekler - medyandan yalnızca 3.3% uzakta
(+) | yüksekler doğrusaldır (5.9% deltadan önceki frekansa)
Toplam 100 - 16.000 Hz
(±) | Genel sesin doğrusallığı ortalamadır (19.9% ortancaya göre fark)
Aynı sınıfla karşılaştırıldığında
» Bu sınıftaki tüm test edilen cihazların %32%'si daha iyi, 8% benzer, 61% daha kötüydü
» En iyisinin deltası 11% idi, ortalama 35% idi, en kötüsü 134% idi
Test edilen tüm cihazlarla karşılaştırıldığında
» Test edilen tüm cihazların %50'si daha iyi, 7 benzer, % 43 daha kötüydü
» En iyisinin deltası 4% idi, ortalama 24% idi, en kötüsü 134% idi
| Samsung Galaxy A17 4G 5000 mAh | Samsung Galaxy A17 5G 5000 mAh | Xiaomi Redmi 15C 5G 6000 mAh | Samsung Galaxy A16 4G 5000 mAh | Motorola Moto G15 5200 mAh | |
|---|---|---|---|---|---|
| Pil Çalışma Süresi | 2% | 43% | 16% | 31% | |
| WiFi v1.3 (h) | 13 | 13.2 2% | 18.6 43% | 15.1 16% | 17 31% |
| Reader / Idle (h) | 33.7 | 27.2 | 29.8 | ||
| H.264 (h) | 17.9 | 23.7 | 19.8 | ||
| Load (h) | 4.5 | 5.8 | 5.5 |
Notebookcheck genel değerlendirmesi
Samsung Galaxy A17 4G, fiyat aralığına göre çok iyi bir donanıma sahip.
Tek zayıf noktaları çalışma süreleri ve titrek güncelleme vaadi.

Samsung Galaxy A17 4G
- 10/24/2025 v8
Florian Schmitt
Karşılaştırmada olası alternatifler
Resim | Modeli / incelemeler | Fiyat | Ağırlık | Sürücü | Ekran |
|---|---|---|---|---|---|
| Samsung Galaxy A17 4G Mediatek Helio G99 ⎘ ARM Mali-G57 MP2 ⎘ 4 GB Bellek, 128 GB eMMC | Amazon: $204.99 Liste fiyatı: 185€ | 190 g | 128 GB eMMC Flash | 6.70" 2340x1080 385 PPI AMOLED | |
| Samsung Galaxy A17 5G Samsung Exynos 1330 ⎘ ARM Mali-G68 MP2 ⎘ 4 GB Bellek, 128 GB eMMC | Amazon: $212.70 Liste fiyatı: 209€ | 192 g | 128 GB eMMC Flash | 6.70" 2340x1080 385 PPI AMOLED | |
| Xiaomi Redmi 15C 5G Mediatek Dimensity 6300 ⎘ ARM Mali-G57 MP2 ⎘ 4 GB Bellek, 128 GB UFS 2.1 | Amazon: 1. $7.99 Suttkue for Xiaomi Redmi 15C... 2. $3.59 Mr.Shield Screen Protector c... 3. $8.57 GANGANPRO 2 Pack Privacy Scr... Liste fiyatı: 170€ | 211 g | 128 GB UFS 2.2 Flash | 6.90" 1600x720 254 PPI IPS | |
| Samsung Galaxy A16 4G Mediatek Helio G99 ⎘ ARM Mali-G57 MP2 ⎘ 4 GB Bellek, 128 GB UFS 2.1 | Amazon: $125.67 Liste fiyatı: 179€ | 200 g | 128 GB UFS 2.2 Flash | 6.70" 2340x1080 385 PPI Super AMOLED | |
| Motorola Moto G15 Mediatek Helio G81 ⎘ ARM Mali-G52 MP2 ⎘ 4 GB Bellek, 128 GB eMMC | Amazon: $133.70 Liste fiyatı: 150€ | 190 g | 128 GB eMMC Flash | 6.72" 2400x1080 392 PPI IPS |
Şeffaflık
İncelenecek cihazların seçimi editör ekibimiz tarafından yapılır. Test örneği, bu incelemenin amacı doğrultusunda üretici veya perakendeci tarafından yazara ödünç olarak sağlanmıştır. Borç verenin bu inceleme üzerinde herhangi bir etkisi olmadığı gibi, üretici de yayınlanmadan önce bu incelemenin bir kopyasını almamıştır. Bu incelemeyi yayınlama zorunluluğu yoktu. Bağımsız bir medya şirketi olarak Notebookcheck, üreticilerin, perakendecilerin veya yayıncıların otoritesine tabi değildir.
Notebookcheck bu şekilde test yapıyor
Notebookcheck, tüm sonuçların karşılaştırılabilir olmasını sağlamak için her yıl yüzlerce dizüstü bilgisayarı ve akıllı telefonu standart prosedürler kullanarak bağımsız olarak inceliyor. Yaklaşık 20 yıldır test yöntemlerimizi sürekli olarak geliştirdik ve bu süreçte endüstri standartlarını belirledik. Test laboratuvarlarımızda deneyimli teknisyenler ve editörler tarafından yüksek kaliteli ölçüm ekipmanları kullanılmaktadır. Bu testler çok aşamalı bir doğrulama sürecini içerir. Karmaşık derecelendirme sistemimiz, nesnelliği koruyan yüzlerce sağlam temellere dayanan ölçüm ve kıyaslamaya dayanmaktadır.





















